Анализ частотных характеристик трансформаторов

Добро пожаловать в команду экспертов в области FRA анализа электроэнергетического оборудования

о нас

Мы знаем всё про анализ частотного отклика Трансформаторов (SFRA & IFRA). Обращайтесь, если Вам нужна помощь в проведении измерений, интерпретации результатов, проведение тренингов для персонала, а также если вы ищете отечественные испытательные комплексы для проведения FRA анализа на Трансформаторах

Наши основные особенности:

Проведение измерений

Мы обладаем парком оборудования, и командой профессионалов для снятия измерений на Ваших объектах. 

Качество наших работ находится
на высоком уровне из-за
хорошей работы специалистов и
лучшего оборудования

рекодный стаж

Мы занимаемся проблематикой FRA уже более 40 лет. С уверенностью можно сказать, что никто в России и за рубежом не обладает близким опытом в данном виде работ

Наши специалисты являются активными членами международных стандартов и рабочих групп по FRA

комплексный подход

Мы единственные, кто может закрыть полный спектр услуг связанных с FRA на трансформаторах

Начиная с корректного выполнения измерений, интерпретации их результатов, заканчивая обучением Ваших сотрудников, и даже производством приборов FRA

не распыляемся

Мы занимаемся только вопросами Механической Стойкости Трансформаторов, и в частности Методом Частотного Анализа

В отличие от "диагностов-универсалов" не беремся за все около-трансформаторные задачи, зато знаем о FRA всё.

FRAEXPERT - ГЛАВНЫЕ СПЕЦИАЛИСТЫ 

Главная ценность нашей команды - люди, и их обширный многолетний опыт работ в области FRA.

Александр Александрович Дробышевский

Автор множества публикаций по МЧА (FRA), руководитель разработок нескольких поколений диагностических установок FRA, член рабочих групп МЭК и СИГРЭ по FRA, участвовал в разработке международных документов и стандартов по диагностике

>> Больше Информации

Стаж работы: ВЭИ им. Ленина, АО "НТЦ Россети ФСК ЕЭС"

Сергей 

Александрович Дробышевский

Автор публикаций по FRA, DFR (частотный анализ диэлектрика) и DGA (анализ растворенных газов)

20+ лет опыта в диагностике трансформаторов методом FRA

Стаж работы: ВЭИ им. Ленина, General Electric, Megger Limited.

проведение диагностики fra под ключ

Мы обладаем богатейшим опытом в измерениях, диагностике и интерпретации результатов FRA. Наша основная сфера деятельности - проведение диагностики FRA "под ключ". Мы приедем на объект, корректно снимем все измерения, проведем диагностику (если будет необходимо, также запросим с Вас протоколы традиционных испытаний), и выдадим Вам профессиональный отчет. 


В России и на пост-советском пространстве нами выполнено множество FRA измерений на десятках объектов. Наша база данных содержит ценнейшие отпечатки типичных для России трансформаторов. Мы держим связь с трансформаторными заводами, а также постоянно участвуем в Российских и Международных Рабочих группах, и всегда обладаем свежими данными как о новейших типах трансформаторов, так и о новейших методах их диагностики.


К нам также обращаются за помощью в интерпретации результата уже имеющихся измерений. Хотя это не является приоритетным вариантом работы ( в виду тонкостей проведений испытания FRA ), мы всегда Рады Вам помочь! Наконец, если Вы приобрели установку для диагностики Методом Частотного Анализа, то мы можем провести для Вашего персонала профессиональный курс обучения. При покупке установок Импульс, начальный, однодневный курс обучения включен в комплект поставки.

Что такое анализ частотного отклика обмоток трансформатора?

Основные виды механических деформаций обмоток

Деформации обмоток

1. Радиальные деформации

Есть существенное различие в поведении обмоток в зависимости от того, куда направлены радиальные силы - внутрь обмотки или наружу. В проводниках обмоток, подвергаемых силам, действующим наружу, возникают напряжения растяжения, тогда как силы действующие внутрь, вызывают в обмотках напряжения сжатия.
В первом случае проводники не имеют тенденции к изменению их цилиндрической формы. Следовательно, их поведение определяется в основном механическими свойствами их материала, а именно - значением условного предела текучести материала

Во втором случае под действием напряжений сжатия проводники обмоток ведут себя в основном подобно тонкостенной полосе, подвергаемой осевой нагрузке, или тонкому цилиндрическому кольцу, подвергаемому внешнему давлению, т.е. могут получить изгиб: происходит явление потери упругости. Это может произойти при некоторой критической нагрузке, которая зависит в основном от модуля упругости материала, геометрических параметров конструкции обмоток и не связана - непосредственно с прочностью материала. Напряжение, связанное с этой критической нагрузкой - критическое напряжение, может быть намного меньше, чем предел упругости материала.

деформации обмоток

2. Осевые деформации

Еще разнообразнее повреждения, связанные с воздействием осевых сил в обмотках!
Если обмотки расположены относительно друг друга магнитосимметрично, то в них действуют только осевые силы сжатия: обмотки относительно друг друга не смещаются. Максимальная сила сжатия – в середине обмотки.

Картина одинакова как для внутренней, так и наружной обмотки, отличие только в том, что осевые силы во внутренней обмотке примерно в 2 раза выше, чем в наружной.

Совсем по-другому ведут себя обмотки, если они расположены слегка несимметрично относительно друг друга.
Возникают дополнительные осевые силы, которые тем больше, чем сильнее смещены магнитные центры обмоток. Движение обмоток всегда направлено в сторону увеличения начальной несимметрии: то есть, если уже есть какое-то начальное взаимное смещение обмоток, то оно будет только прогрессировать

Традиционные методы диагностики деформаций обмоток трансформаторов


Итак, в мире трансформаторов существует множество видов деформации. Как их диагностировать? Какими средствами мы обладаем? Какова их эффективность? Достаточны ли они для обнаружения всех рассмотренных нами видов деформаций?

В отличие от методов контроля состояния изоляции, для диагностики механического состояния обмоток существует ограниченное количество методов.
По изменению глобального параметра:
1. По току ХХ в опыте ХХ;
2. По изменению емкости обмоток;
3. По изменению полного сопротивления
(индуктивности) КЗ;

По локальным изменениям характеристик сигнала:
4. Методом вибрационного анализа;
5. Методом низковольтных импульсов (НВИ);

6. Методом частотного анализа (FRA). 

опыт холостого хода

Измерение намагничивающего тока в опыте холостого хода относится к числу наиболее известных методов, применяемых как на заводах, так и в эксплуатации.
Этот метод является наиболее легким и эффективным способом обнаружения витковых замыканий в обмотках трансформаторов. Поэтому, несмотря на малую чувствительность данного метода к другим видам повреждений обмоток, он находит широкое применение в эксплуатации, дополняя другие методы диагностики.  

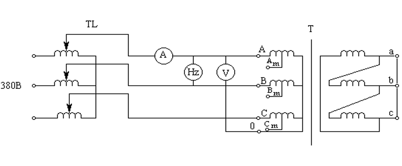
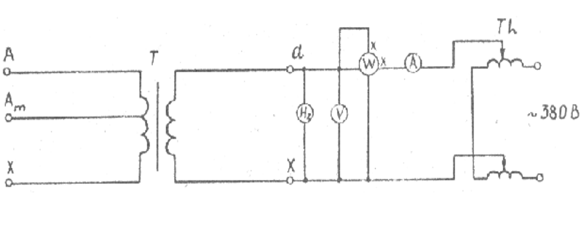
Метод измерения сопротивления КЗ

Наиболее известным методом диагностики механического состояния обмоток трансформаторов является метод измерения сопротивления короткого замыкания – метод Zk.
Методика измерения Zk проста в принципе и использует стандартное оборудование  

Сопротивление короткого замыкания

Этот метод был введен в обязательное применение в эксплуатации 25 лет назад для трансформаторов мощностью от 63 МВА и выше, однако широко применяется и для трансформаторов меньше мощности, включая распределительные трансформаторы.

Метод получил широкое применение, много трансформаторов с поврежденными обмотками было выявлено благодаря этому методу, тем не менее он обладает рядом недостатков: 

Проблемы метода Zk

Заложенные в «Объеме и Нормах…» “отбраковочные” значения изменения Zк =3% (5%) являются завышенными.
На самом деле в мощных трансформаторах изменения Zк уже в пределах 1-2% часто бывают связаны с появлением механических деформаций обмоток. Более того, при испытаниях трансформаторов на стойкость при КЗ известны случаи, когда серьезные деформации обмоток возникали при Zк <1%. 

На картинке справа - трансформатор ТДЦ 400 МВА 220 кВ. Налицо явные механические деформации на всех трех фазах трансформатора, при том, что изменения Zk были далеко от значений, допускаемых нашим РД (Объем и нормы)

По своей сути (см. формулу выше) - Метод измерения Zк обладает высокой чувствительностью только к тем видам деформаций обмоток трансформатора, которые приводят к изменению размеров (объема) канала рассеяния.
Поэтому, обладая хорошей чувствительностью к потере радиальной устойчивости обмоток (увеличивается объем главного канала рассеяния), метод Zк может сказаться мало чувствителен к другим видам повреждений

суть метода частотного анализа

Метод низковольтных импульсов

Суть метода низковольтных импульсов заключается в том, что на вход обмотки подается прямоугольный импульс и с выхода обмотки регистрируется отклик обмотки на воздействие этого импульса.
Высокая чувствительность метода объясняется тем, что даже незначительное изменение состояния геометрии (Клик) вызывает изменение соответствующих емкостей и индуктивностей (Клик) , что находит свое отражение в изменении отклика – переходного импульсного тока (Клик) и, соответственно, в спектре.

Метод НВИ получил довольно широкое распространение в мире и в России (благодаря разработанным нами установкам «ИМПУЛЬС»). Было выявлено много дефектных трансформаторов.
Основной недостаток – жесткие требования к процедуре испытаний, которые нужно обеспечить, чтобы получить высокую воспроизводимость результатов измерений. 

Основы тестирования SFRA

  • Трансформатор рассматривается как схема комплексного импеданса
  • Амплитудно-частотные характеристики измеряются в широком диапазоне частот и результаты измерения представляются в виде характеристической кривой
  • Изменения в импедансе легко обнаруживаются. Их можно сравнивать во времени, и с другими объектами или частями объекта.
  • Уникальная возможность определить разнообразные неисправности обмотки, сердечника и другие повреждения электрической цепи всего за одну проверку


Преимущества FRA над "традиционными" испытаниями

Международный опыт применения FRA доказал высокую эффективность метода для обнаружения следующих дефектов:

  • Повреждения обмоток
    • Деформация
    • Смещение
    • Короткие замыкания
  • Неисправности сердечника
    • Смещение
    • Заземление
    • Проблемы с экранированием
  • Механические повреждения/изменения
    • Повреждения креплений
    • Соединения 

виды услуг

CRM-форма появится здесь

Хотите узнать больше о методе fra? нужны измерения на Вашем объекте?


Свяжитесь с нами!

Если у Вас есть любые вопросы по анализу частотного отклика трансформаторов - свяжитесь с нами любым из способов ниже!

АДРЕС МО, Дзержинский, Академика Жукова 40
график Пн-Сб:08.45-18.00